钟祥新宇机电制造股份有限公司,钟祥电机,销售经理李邦龙,座机:0724-4225388 手机:13997928779。
钟祥新宇机电制造股份有限公司前身是钟祥电机厂,1968年筹建工厂,原机电部确认为定点生产中小型电机的专业厂家。主要生产各类振动电机、振动机械、输送机械。是中国电器工业协会中小型电机分会理事单位、中国重型机械工业协会洗选设备专业委员会理事单位,是中国大型的振动电机生产厂家。销售经理李邦龙,座机:0724-4225388 手机:13997928779。
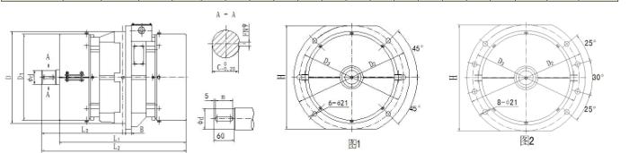
VBCB系列三相异步振动电机是我公司自主开发的新产品,拥有自主知识产权,受国家法律保护。本产品获国家实用新型专利,专利号:20050097098.3。与普通振动电机相比,它省去了振动机械复杂的电机底板VBCB系列振动电机结构,电机直接安装在振动机械的侧板上,可使振动机械实现圆运动或直线运动,同时可使振动机械重量减轻,机体刚度要求减小,减少振动机械的能耗,安装维护方便、单机激振力大、寿命长(达10000小时)。它广泛运用于电力、建材、煤炭、化工、矿山、冶金、轻工、铸造等行业,主要适用于大型筛分设备,由于其独特的特点,可逐步替代轴偏心、块偏心等其它类型的激振源,同时为我国大型振动机械提供了新型、可靠的激振源。





上一个产品:VBH系列频繁起动振动电机
下一个产品:VBE系列高效节能三相异步振动电机



